气动马达控制系统控制阀的识别与应用
气动马达控制系统中,控制元件是控制和调节压缩空气的压力、流量、流动方向和发送信号的重要元件,利用它们可以组成各种气动回路,使气动执行元件按设计要求正常工作。
气动马达控制系统的控制元件主要是控制阀,它用来控制和调节压缩空气的方向、压力和流量,按其作用和功能可分为:方向控制阀、压力控制阀和流量控制阀。气动控制阀在功用和工作原理等方面与液压控制阀相似,仅在结构上有所不同。
本任务主要介绍气动控制阀的识别和选用,方向控制阀、压力控制阀、流量控制阀及气动逻辑控制阀的分类及工作原理。
一 、方向控制阀
方向控制阀按压缩空气在阀内的作用方向,可分为单向型控制阀和换向型控制阀。
1.单向型控制阀
(1)单向阀。

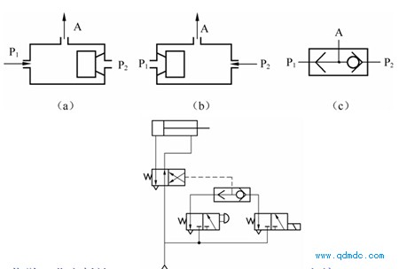
(2)梭阀。两个单向阀的组合,其作用相当于“或门”。

(3)双压阀。两个单向阀的组合,其作用相当于“与门”。

双压阀在互锁回路中的应用
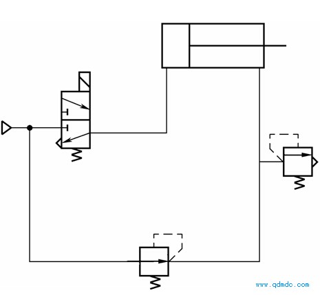
(4)快速排气阀。快速排气阀常装在换向阀和气缸之间,它使气缸不通过换向阀而快速排出气体,从而加快气缸的往复运动速度,缩短工作周期。
快速排气阀的应用

2.换向型控制阀
换向型控制阀是利用主阀芯的运动而使气流改变运动方向的,其分类、工作原理和功用都与液压换向阀相同。
二、压力控制阀
气压控制阀与液压控制阀在工作原理及分类方法上基本相同,现介绍几种目前应用较多、有代表性的气压控制阀。
1.减压阀
减压阀的减压和稳压原理是:靠进气口的节流作用减压,通过输出压力的负反馈,在膜片上产生的力与弹簧平衡。
(1)直动式减压阀
QTY型直动式减压阀

(3)减压阀的选择
① 要求调压精度高的系统,应选择先导式减压阀;无特殊调压精度要求的系统,可选择直动式减压阀。
② 根据最大输出流量,确定减压阀通径。
③ 根据气源压力确定减压阀额定输入压力。最低输入压力应大于最高输出压力0.1MPa。
④ 减压阀如串联在回路中,为提高使用寿命,常安装在水分滤气器之后、油雾器之前。
⑤ 减压阀不用时,应旋松手柄,放松弹簧,避免膜片长期受压变形。
(4)减压阀应用回路。图6.35所示的是减压阀应用实例,该回路常用于气动设备之前,可根据需要用同一气源系统得到两种工作压力,也称为二次压力控制回路。
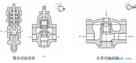
2.溢流阀
溢流阀也称安全阀,有直动式和先导式两种结构。
图6.38 溢流阀的应用

3.顺序阀
顺序阀常与单向阀并联组合成一体,称为单向顺序阀。


三、流量控制阀

1.节流阀
图6.42所示的是节流阀的结构,它由阀体、阀座、阀芯和调节螺杆组成。

2.单向节流阀
图6.43所示的是单向节流阀工作原理。

3.排气节流阀
排气节流阀的工作原理与节流阀相同,只是安装在元件的排气口处,直接拧在换向阀的排气口上,用来控制执行元件的运动速度并降低排气的噪声。

四、逻辑控制阀
逻辑阀是常用的气动逻辑元件之一。它是在气控信号作用下使阀中的可动部件动作,来完成一定的逻辑功能。在前面所讲到的梭阀和双压阀也具有逻辑功能,从结构上看,它们与逻辑阀没有本质的差别,所不同的是气动控制阀的输出功率较大,尺寸大,而气动逻辑阀的输出功率较小,尺寸小。气动逻辑阀的种类很多,按工作压力可分为高压(0.2MPa~0.8MPa)、低压(0.02MPa~0.2MPa)、微压元件(< 0.02MPa),按逻辑功能分为“是门”、“或门”、“非门”元件和双稳元件等,按结构形式分为截止式、滑阀式和膜片式逻辑元件等。


